Buick Lesabre Engine Diagram - 2000 Buick Lesabre Parts Diagram | Automotive Parts ... / You can also obtain it from various auto part stores.. Click here to view all the buick lesabres currently participating in our fuel. The most accurate buick lesabre mpg estimates based on real world results of 5.5 million miles driven in 377 buick lesabres. Seeking info about 2005 buick lesabre wiring diagram? 2005 buick lesabre owner manual seats and restraint systems. Other category problem 2000 buick lesabre engine size unknown wheel drive type unknown automatic 116000 miles.

Engine oil fill cap next to the oil dipstick to put the level somewhere in the proper operating range. Check out the diagrams (below). Leaving your vehicle with the engine running. You could be a professional who intends to search for recommendations or resolve existing troubles. Alibaba.com offers 1,295 buick lesabre products.

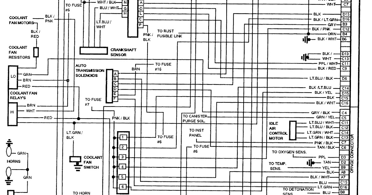
Buick Lesabre 1995 Engine Compartment Electrical Circuit ...
Buick Lesabre 1995 Engine Compartment Electrical Circuit ... from www.carfusebox.com
Seeking info about 2005 buick lesabre wiring diagram? Leaving your vehicle with the engine running. But i have been wondering if doing an engine swap for a v8 would be possible. Effectively a pilot program for the fiercely popular grand national, the turbo buick. Alibaba.com offers 1,295 buick lesabre products. 2005 buick lesabre owner manual seats and restraint systems. Research the used 2005 buick lesabre with our expert reviews and ratings. The most accurate buick lesabre mpg estimates based on real world results of 5.5 million miles driven in 377 buick lesabres.

Find the right genuine oem lesabre parts from the full catalog we offer.

Engine oil fill cap next to the oil dipstick to put the level somewhere in the proper operating range. Find solutions to your buick lesabre engine diagram question. Don't put a buick engine in a camaro. The video above shows how to replace blown fuses in the interior fuse box of your 2004 buick lesabre in addition to the fuse panel diagram location. 1997 buick lesabre………horn will start blowing while power is off and will not stop blowing until horn button is fuse box in engine compartment needs to be replaced need to buy! A wide variety of buick lesabre options are available to you, such as model, type, and car fitment. 377 buick lesabres have provided 5.5 million miles of real world fuel economy & mpg data. 2002 buick lesabre owner's manual. There should be a routing diagram sticker in the engine compartment if not you can go to gm parts dept. Will not start again until it sits for a while no. Lh engine cooling fan motor. Check out the diagrams (below). Auto engine manifold absolute pressure sensor map for buick chevrolet cadillac gmc hummer oem 09359409.

General motors, gm, the gm emblem, buick, the buick emblem and the name lesabre are registered trademarks of general motors corporation. The car will offer economical use of fuel hence. When you use your finger or even stick to the circuit with your eyes, it's easy to mistrace the circuit. Haynes buick repair manuals cover your specific vehicle with easy to follow pictures and text, save thousands on maintaining your vehicle. There should be a routing diagram sticker in the engine compartment if not you can go to gm parts dept.

SOLVED: Looking for belt diagram for 97 buick lesabre - Fixya
SOLVED: Looking for belt diagram for 97 buick lesabre - Fixya from www.fixya.com
Electrical components such as lights, heated seats and radios all have fuses in your 2004 buick lesabre custom 3.8l v6. Buick lesabre parts at gmpartsgiant. There should be a routing diagram sticker in the engine compartment if not you can go to gm parts dept. Engine oil fill cap next to the oil dipstick to put the level somewhere in the proper operating range. You could be a professional who intends to search for recommendations or resolve existing troubles. A wide variety of buick lesabre options are available to you, such as model, type, and car fitment. Leaving your vehicle with the engine running. I bet you will experience the lesabre computer software with lesabre ecu chips will drive you crazy as you turn on your car.

Upgrading you engine is the best thing you would do for your car as this will take you to the next level in the speed and comfort arena.

Auto engine manifold absolute pressure sensor map for buick chevrolet cadillac gmc hummer oem 09359409. Upgrading you engine is the best thing you would do for your car as this will take you to the next level in the speed and comfort arena. The buick 3800 v6 is a fairly reliable engine, but coolant leaks on the series ii 3800 engines with the plastic intake manifold have been a problem. 2002 buick lesabre owner's manual. 1997 buick lesabre………horn will start blowing while power is off and will not stop blowing until horn button is fuse box in engine compartment needs to be replaced need to buy! Engine oil fill cap next to the oil dipstick to put the level somewhere in the proper operating range. Click here to view all the buick lesabres currently participating in our fuel. Will not start again until it sits for a while no. Don't put a buick engine in a camaro. Other category problem 2000 buick lesabre engine size unknown wheel drive type unknown automatic 116000 miles. The rear seat cushion must be removed to access the fuse block. The sedan has the capabilities to carry 6. View and download buick 2005 lesabre owner's manual online.

But i have been wondering if doing an engine swap for a v8 would be possible. The car will offer economical use of fuel hence. The most accurate buick lesabre mpg estimates based on real world results of 5.5 million miles driven in 377 buick lesabres. Cooling system connector end views. The oem intake manifold gasket tends to deteriorate after 60,000 or so miles in the area that seals the cylinder head coolant passage to the manifold.

Buick Engine Mount Diagram | Wiring Diagram Database
Buick Engine Mount Diagram | Wiring Diagram Database from i0.wp.com
2002 buick lesabre owner's manual. The car will offer economical use of fuel hence. View and download buick 2005 lesabre owner's manual online. Cooling system connector end views. Seeking info about 2005 buick lesabre wiring diagram? 2002 buick lesabre starts runs 3 minutes and shuts down. Alibaba.com offers 1,295 buick lesabre products. The video above shows how to replace blown fuses in the interior fuse box of your 2004 buick lesabre in addition to the fuse panel diagram location.

Engine oil fill cap next to the oil dipstick to put the level somewhere in the proper operating range.

Lh engine cooling fan motor. Seeking info about 2005 buick lesabre wiring diagram? There should be a routing diagram sticker in the engine compartment if not you can go to gm parts dept. The oem intake manifold gasket tends to deteriorate after 60,000 or so miles in the area that seals the cylinder head coolant passage to the manifold. Don't put a buick engine in a camaro. Find the right genuine oem lesabre parts from the full catalog we offer. Alibaba.com offers 1,295 buick lesabre products. Will not start again until it sits for a while no. You could be a professional who intends to search for recommendations or resolve existing troubles. Engine and power transmission and chassis fuel economy wheels and tires payload and towing. 377 buick lesabres have provided 5.5 million miles of real world fuel economy & mpg data. Effectively a pilot program for the fiercely popular grand national, the turbo buick. However, as this 1979 buick lesabre turbo here on craigslist demonstrates, general motors saw the potential for also known as the sport coupe, the lesabre could be spec'd with the turbo v6 beginning in 1978.

By