1986 Nissan Maxima Wiring Diagram / Diagram Chev 305 Hei Distributor Wiring Diagram Full Version Hd Quality Wiring Diagram Tvdiagram Veritaperaldro It - Having a nissan stereo wiring diagram makes installing a car radio easy.. 2002 nissan maxima service repair shop manual 3 volume set factory oem book new. Wiring diagrams nissan by year. Can someone please send me the 1998 nissan maxima stereo wiring diagram for a non bose? Each nissan repair manual contains the detailed description of works and wiring diagrams. Portable network image format 29.2 kb.

Nissan ud truck service manuals and nissan forklift pdf manuals are contains : 1986 nissan maxima fuse diagram. 2002 nissan maxima service repair shop manual 3 volume set factory oem book new. Wiring diagram for nissan maxima 1996? Can someone please send me the 1998 nissan maxima stereo wiring diagram for a non bose?

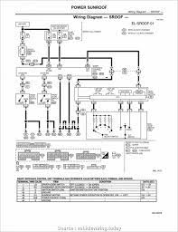
2002 Maxima Fuse Box Wiring Diagram Replace Loan Process Loan Process Miramontiseo It
2002 Maxima Fuse Box Wiring Diagram Replace Loan Process Loan Process Miramontiseo It from static-assets.imageservice.cloud
Please select the exact year of your nissan maxima to view your vehicle sepecific diagram. Vehicle wiring search for a nissan maxima. Portable network image format 29.2 kb. We have 77 nissan maxima manuals covering a total of 28 years of production. 77 nissan maxima workshop, owners, service and repair manuals. Nissan truck 1986 factory service manual.rar. It was produced using the latest techniques and strict quality 2004 nissan maxima. These nissan wiring information / aftermarket autostart/alarm technical wiring diagrams are very useful, if not required, for the installation of alarms, autostart.

The 1987 nissan pathfinder wiring diagram can be obtained from most nissan dealerships.

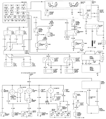
Nissan wire information, wire information, wiring information, wiring information, color codes, technical wiring diagrams. Consult the book for that particular vehicle. Nissan ud truck service manuals and nissan forklift pdf manuals are contains : 77 nissan maxima workshop, owners, service and repair manuals. Portable network image format 29.2 kb. Nissan maxima repair manuals & wiring diagrams. How to use system wiring diagrams.pdf. Nissan truck 1986 factory service manual.rar. These nissan wiring information / aftermarket autostart/alarm technical wiring diagrams are very useful, if not required, for the installation of alarms, autostart. Home » nissan manuals » 1996 nissan maxima » manual viewer. It was produced using the latest techniques and strict quality 2004 nissan maxima. We have 77 nissan maxima manuals covering a total of 28 years of production. Please select the exact year of your nissan maxima to view your vehicle sepecific diagram.

Wiring diagram for nissan maxima 1996? How to use system wiring diagrams.pdf. Use our nissan maxima stereo wiring schematic to wire any aftermarket stereo, radio or navigation system into your nissan sedan. Consult the book for that particular vehicle. Home » nissan manuals » 1996 nissan maxima » manual viewer.

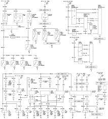
1985 1986 Nissan 200sx 300zx Maxima Sentra Stanza Wiring Diagrams Schematics Set Ebay
1985 1986 Nissan 200sx 300zx Maxima Sentra Stanza Wiring Diagrams Schematics Set Ebay from i.ebayimg.com
Que es un diagrama?, para que sirve un diagrama electrico automotriz?. 1986 nissan maxima fuse diagram. Each nissan repair manual contains the detailed description of works and wiring diagrams. Nissan truck 1986 factory service manual.rar. Consult the book for that particular vehicle. Hi i would like to know what the wiring diagram on the air flow sensor looks like on a nissan maxima 3l v6 2002 moddel at the plug side that plugs in by the air flow sensor. In 1982 nissan introduced the stanza, a fwd car slated between the economy sentra line and the luxury maxima line. Wiring diagram for nissan maxima 1996?

Use our nissan maxima stereo wiring schematic to wire any aftermarket stereo, radio or navigation system into your nissan sedan.

We have 77 nissan maxima manuals covering a total of 28 years of production. Having a nissan stereo wiring diagram makes installing a car radio easy. Wiring diagram for nissan maxima 1996? The 1987 nissan pathfinder wiring diagram can be obtained from most nissan dealerships. Vehicle wiring search for a nissan maxima. Nissan_maxima_1997_wiring_diagram_eng.pdf акпп и мкпп maximaqx (с 1993 года).pdf. Nissan wire information, wire information, wiring information, wiring information, color codes, technical wiring diagrams. Please select the exact year of your nissan maxima to view your vehicle sepecific diagram. Que es un diagrama?, para que sirve un diagrama electrico automotriz?. Each nissan repair manual contains the detailed description of works and wiring diagrams. These nissan wiring information / aftermarket autostart/alarm technical wiring diagrams are very useful, if not required, for the installation of alarms, autostart. Every nissan stereo wiring diagram contains information from other nissan owners. 2002 nissan maxima service repair shop manual 3 volume set factory oem book new.

Nissan maxima repair manuals & wiring diagrams. Hi i would like to know what the wiring diagram on the air flow sensor looks like on a nissan maxima 3l v6 2002 moddel at the plug side that plugs in by the air flow sensor. Wiring diagrams nissan by year. Portable network image format 29.2 kb. ¼ if electrical wiring or other cable connections must pass to a trailer through the seal on the trunk lid or the body, follow the manufacturer's recommendation to prevent carbon monoxide entry into the vehicle.

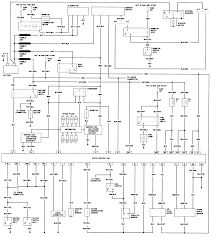
Nissan 3 0 Engine Diagram Wiring Diagram Solid Arrange Solid Arrange Pennyapp It
Nissan 3 0 Engine Diagram Wiring Diagram Solid Arrange Solid Arrange Pennyapp It from aandfwiring.dz-art.fr
1986 nissan maxima fuse diagram. This (like all of our manuals) is. Nissan truck 1986 factory service manual.rar. 77 nissan maxima workshop, owners, service and repair manuals. 1992 nissan maxima wiring diagram service repair shop manual factory book oem 92. Having a nissan stereo wiring diagram makes installing a car radio easy. Each nissan repair manual contains the detailed description of works and wiring diagrams. Nissan wire information, wire information, wiring information, wiring information, color codes, technical wiring diagrams.

Use our nissan maxima stereo wiring schematic to wire any aftermarket stereo, radio or navigation system into your nissan sedan.

Nissan_maxima_1997_wiring_diagram_eng.pdf акпп и мкпп maximaqx (с 1993 года).pdf. Portable network image format 29.2 kb. ¼ if electrical wiring or other cable connections must pass to a trailer through the seal on the trunk lid or the body, follow the manufacturer's recommendation to prevent carbon monoxide entry into the vehicle. Can someone please send me the 1998 nissan maxima stereo wiring diagram for a non bose? 2002 nissan maxima service repair shop manual 3 volume set factory oem book new. It was produced using the latest techniques and strict quality 2004 nissan maxima. Use our nissan maxima stereo wiring schematic to wire any aftermarket stereo, radio or navigation system into your nissan sedan. Please select the exact year of your nissan maxima to view your vehicle sepecific diagram. Having a nissan stereo wiring diagram makes installing a car radio easy. Every nissan stereo wiring diagram contains information from other nissan owners. The next generation got a redesign of the center console, which made it easier to install a double din. 1986 nissan maxima fuse diagram. Nissan sells wiring diagram manuals for older cars, but haven't seen one yet for a car that new.

By