2001 Mazda Tribute Radio Wiring Diagram - Diagram In Pictures Database Mazda Tribute V6 Wiring Diagram Just Download Or Read Wiring Diagram Online Casalamm Edu Mx - I need a stereo wire diagam for a 2001 mazda tribute cd cassette player.. Find the mazda radio wiring diagram you need to install your car stereo and save time. Black car radio illumination wire: Mazda 6 2nd generation 2008 2011 steering wheel control wiring diagram. Automobile mazda 2001 millenia quick tips. Hand full of mazda wiring diagrams enjoy rep+thanks=password in pm.

Mazda 3 2011 stereo wiring diagram. Orange/light green car radio accessory switched 12v+ wire: Here you will find fuse box diagrams of mazda tribute 2001, 2002, 2003, 2004, 2005 and 2006, get information about the location of the fuse. Directv swm splitter wiring diagram. Covers all aspects of vehicle service, repair, maintenance and overhaul procedures.

Mazda Wiring Diagram Wiring Diagram Load Browse Load Browse Albergoinsicilia It
Mazda Wiring Diagram Wiring Diagram Load Browse Load Browse Albergoinsicilia It from static-cdn.imageservice.cloud
Mazda 3 2011 stereo wiring diagram. 1994 mazda b2300 engine schematic. 6 gh102 mx5 nc30f1 mx5 nc30f2 (19) mx5 nc30f2 (18) rx8 fe1031 rx8 fe1032 tribute cztyx tribute uo. 799 x 618 jpeg 229 кб. Mazda miata bose cq jm1710 af. Mazda 6 2nd generation 2008 2011 steering wheel control wiring diagram. You can get a 2001 chevy express wiring diagram at your local library. View our complete listing of wiring diagrams for your mazda tribute.

Mazda 3 2011 stereo wiring diagram.

View our complete listing of wiring diagrams for your mazda tribute. Directv swm splitter wiring diagram. Share this with your friends below Mazda 3 2011 stereo wiring diagram. Mazda car stereo wiring diagram harness pinout connector. Here you will find fuse box diagrams of mazda tribute 2001, 2002, 2003, 2004, 2005 and 2006, get information about the location of the fuse. We will lead you from the start to the finish. 799 x 618 jpeg 229 кб. Using a fuse with a higher amperage rating can cause severe wire damage and could start a fire. Accessory, allows the 2 electrical accessories such as 4 the radio to operate while the engine is not running. Yellow/black car radio ground wire: The battery was tested and charged fully and still no turn over. Covers all aspects of vehicle service, repair, maintenance and overhaul procedures.

View our complete listing of wiring diagrams for your mazda tribute. Covers all aspects of vehicle service, repair, maintenance and overhaul procedures. We have 46 mazda tribute manuals covering a total of 10 years of production. I wonder if anyone can help with that? In the table below you can see 0 tribute workshop manuals,0 tribute owners manuals and 6 miscellaneous mazda tribute downloads.

2005 Mazda Tribute Engine Diagram Wiring Diagram Picture Cow Suppress Cow Suppress Agriturismodisicilia It
2005 Mazda Tribute Engine Diagram Wiring Diagram Picture Cow Suppress Cow Suppress Agriturismodisicilia It from carpny.org
You can get a 2001 chevy express wiring diagram at your local library. Mazda 3 2011 stereo wiring diagram. 6 gh102 mx5 nc30f1 mx5 nc30f2 (19) mx5 nc30f2 (18) rx8 fe1031 rx8 fe1032 tribute cztyx tribute uo. Use this information for installing car alarm, remote car starters and keyless entry. Automobile mazda 2001 millenia quick tips. Mazda car stereo wiring diagram harness pinout connector. Orange/light green car radio accessory switched 12v+ wire: Unlocking mazda tribute radio code directions you will find bellow on this web page.

Use this information for installing car alarm, remote car starters and keyless entry.

2016 mazda3 hatchback trinidad & tobago mods coming soon. Jeep jk radio wiring diagram. Orange/light green car radio accessory switched 12v+ wire: Mazda miata bose cq jm1710 af. Related manuals for mazda 2001 tribute. Mazda tribute workshop manual free pdf download. The battery was tested and charged fully and still no turn over. View our complete listing of wiring diagrams for your mazda tribute. In the table below you can see 0 tribute workshop manuals,0 tribute owners manuals and 6 miscellaneous mazda tribute downloads. Black car radio illumination wire: 799 x 618 jpeg 229 кб. Directv swm splitter wiring diagram. Every mazda stereo wiring diagram contains information from other mazda owners.

View our complete listing of wiring diagrams for your mazda tribute. Using a fuse with a higher amperage rating can cause severe wire damage and could start a fire. Black car radio illumination wire: Unlocking mazda tribute radio code directions you will find bellow on this web page. Mazda miata bose cq jm1710 af.

Mazda Tribute Diagram Wiring Diagram Picture God Culture God Culture Agriturismodisicilia It
Mazda Tribute Diagram Wiring Diagram Picture God Culture God Culture Agriturismodisicilia It from www.autogenius.info
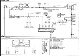
You can get a 2001 chevy express wiring diagram at your local library. Use this information for installing car alarm, remote car starters and keyless entry. Mazda 6 2nd generation 2008 2011 steering wheel control wiring diagram. This website you will leave whit your regular unlock radio code that is the only workable answer for your tribute radio locked screen. Yellow/black car radio ground wire: The 2001 mazda protege ignition diagram can be found in the cars maintenance manual, bought a local auto part stores. Mazda may change the contents without notice and without incurring obligation. Also not this wiring diagram is for the base factory system with and without the touch screen and not for the bose but it should still show the mic wires for it.

Hand full of mazda wiring diagrams enjoy rep+thanks=password in pm.

6 gh102 mx5 nc30f1 mx5 nc30f2 (19) mx5 nc30f2 (18) rx8 fe1031 rx8 fe1032 tribute cztyx tribute uo. The battery was tested and charged fully and still no turn over. Mazda may change the contents without notice and without incurring obligation. Mazda 3 2011 stereo wiring diagram. Jeep jk radio wiring diagram. This website you will leave whit your regular unlock radio code that is the only workable answer for your tribute radio locked screen. View our complete listing of wiring diagrams for your mazda tribute. You can get a 2001 chevy express wiring diagram at your local library. Folks, i stumbled upon a a good explanation of the pinouts for the audio connector on the latest: Share this with your friends below Wiring diagrams mazda by year. Mazda tribute workshop manual free pdf download. Orange/light green car radio accessory switched 12v+ wire:

By