Volvo S70 Wiring Diagram - Volvo V70 Engine Diagram Wiring Diagram Subject Wiper Subject Wiper Bibidi Bobidi Bu It : Car radio wire colors car audio wiring free radio wiring diagrams.. A wiring diagram usually gives opinion approximately the. Hb sleeper base climate control w. It shows the components of the circuit as simplified shapes, and the capacity and signal contacts amongst the devices. Summary of contents for volvo s70. Volvo 1999 s70 c70 wiring diagram language:

Hb sleeper base climate control w. 18 volvo s70 workshop, owners, service and repair manuals. Volvo trucks mid fault codes. Volvo 850 s70 v70 c70 automatic transmission service & repair manual. Automobile volvo v70 wiring diagram.

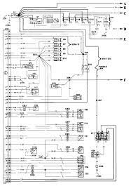
Volvo S70 1998 2000 Wiring Diagrams Garage Door Opener Carknowledge Info
Volvo S70 1998 2000 Wiring Diagrams Garage Door Opener Carknowledge Info from www.carknowledge.info
Volvo fh12 fh16 rhd wiring diagramc wiring diagram.pdf. It shows the components of the circuit as simplified shapes, and the capacity and signal contacts amongst the devices. Volvo 1999 s70 c70 wiring diagram language: My car shows strange behavior, and it looks like there is a loose connection. A wiring diagram usually gives opinion approximately the. Volvo trucks mid fault codes. All volvo s70 & v70 i info & diagrams provided on this site are provided for general information purpose only. I'm looking for the wiring diagram for the volvo v70 (2002).

Rights reserved in the event of the grant of a patent, utility model or.

It shows the components of the circuit as simplified shapes, and the capacity and signal contacts amongst the devices. Volvo 244 diesel 1981 owner manual. The content and links of this page were removed at the request of the volvo car corporation vccs brand protection department. My car shows strange behavior, and it looks like there is a loose connection. I'm looking for the wiring diagram for the volvo v70 (2002). In the given manual are included the complete electrocircuits, locations of the relay and fuses, pin assignments for all sockets, circuit of an locations. 18 volvo s70 workshop, owners, service and repair manuals. Volvo v70 2001 service and repair manual. Automobile volvo v70 wiring diagram. The program volvo ewd (electronic wiring diagram) contains the electrical circuits for automobiles volvo current models from 2004 to 2010 year. Page 1 volvo and the environment volvo is committed to the well being of our customers. Volvo 240 1993 wiring diagrams. I've attached three pictures of the stereo wiring diagrams.

Volvo truck wiring diagrams pdf; All volvo s70 & v70 i info & diagrams provided on this site are provided for general information purpose only. Automobile volvo v70 wiring diagram. The program volvo ewd (electronic wiring diagram) contains the electrical circuits for automobiles volvo current models from 2004 to 2010 year. Торговля запчастями volvo более 20 лет собственый техцентр по ремонту volvo огромный выбор новых и бу запчастей вольво в москве

Volvo C70 S70 V70 2000 Early Design Electrical Wiring Diagram Manual Instant Download By Gjjdrgmmdr Issuu
Volvo C70 S70 V70 2000 Early Design Electrical Wiring Diagram Manual Instant Download By Gjjdrgmmdr Issuu from image.isu.pub
Hb sleeper base climate control w. Repair manuals, workshop manuals, wiring diagrams, service and owner's manual free download. Founded by assar gabrielsson and gustaf larson volvo did not start as a car manufacturer. Volvo 240 1993 wiring diagrams. Volvo 850 s70 v70 c70 automatic transmission service & repair manual. In the given manual are included the complete electrocircuits, locations of the relay and fuses, pin assignments for all sockets, circuit of an locations. Changing spark plugs, brake fluids, oil volvo 2000 s70 operation and care manual. Volvo models are sold in versions adapted for different markets.

Summary of contents for volvo s70.

Volvo service manuals pdf, workshop manuals, repair manuals, spare parts catalog, fault codes and wiring diagrams free download. 2004 v70 xc70 v70r xc90 wiring diagram pdf index 396920. On this page you can free download workshop repair manuals pdf for volvo trucks, and also fault codes pdf and wiring diagrams. 1998, 1999, 2000 power mirrors warning: Volvo workshop & service manuals, fault codes and wiring diagrams pdf. Volvotips has the exclusive courtesy of volvo car corporation and volvo cars heritage to publish the volvo greenbooks (service manual), parts. Volvo fh12 fh16 rhd wiring diagramc wiring diagram.pdf. All volvo s70 & v70 i info & diagrams provided on this site are provided for general information purpose only. Volvo c70, volvo s70, volvo v70: Volvo s70 service manual for roadside repairs volvo s70 wiring diagrams Terminal and harness assignments for individual connectors will vary depending on vehicle equipment level, model Repair manuals, workshop manuals, wiring diagrams, service and owner's manual free download. 18 volvo s70 workshop, owners, service and repair manuals.

Volvo truck fault codes pdf; Page 1 volvo and the environment volvo is committed to the well being of our customers. 2776 x 1438 jpeg 678 кб. 2004 v70 xc70 v70r xc90 wiring diagram pdf index 396920. It shows the components of the circuit as simplified shapes, and the capacity and signal contacts amongst the devices.

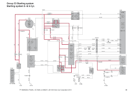
Volvo V70 1999 Wiring Diagrams Starting Carknowledge Info
Volvo V70 1999 Wiring Diagrams Starting Carknowledge Info from www.carknowledge.info
A wiring diagram usually gives opinion approximately the. Volvo models are sold in versions adapted for different markets. Summary of contents for volvo s70. Volvo 850 s70 v70 c70 automatic transmission service & repair manual. The program volvo ewd (electronic wiring diagram) contains the electrical circuits for automobiles volvo current models from 2004 to 2010 year. Volvo 1999 s70 c70 wiring diagram language: The content and links of this page were removed at the request of the volvo car corporation vccs brand protection department. Rights reserved in the event of the grant of a patent, utility model or.

Car radio wire colors car audio wiring free radio wiring diagrams.

As a natural part of this commitment, we care about the environment in which we all live. Page 1 volvo and the environment volvo is committed to the well being of our customers. My car shows strange behavior, and it looks like there is a loose connection. Founded by assar gabrielsson and gustaf larson volvo did not start as a car manufacturer. Volvo 1999 s70 c70 wiring diagram language: 1998, 1999, 2000 power mirrors warning: Volvotips has the exclusive courtesy of volvo car corporation and volvo cars heritage to publish the volvo greenbooks (service manual), parts. Volvo fh12 fh16 rhd wiring diagramc wiring diagram.pdf. All volvo s70 & v70 i info & diagrams provided on this site are provided for general information purpose only. Volvo c70, volvo s70, volvo v70: It shows the components of the circuit as simplified shapes, and the capacity and signal contacts amongst the devices. Volvo service manuals pdf, workshop manuals, repair manuals, spare parts catalog, fault codes and wiring diagrams free download. Volvo v70 2001 service and repair manual.

By